电压互感器常见的接线方式有以下几种:

1、上图所示为一台单相电压互感器的接线,可测量某一相间电压(35KV及以下的中性点非直接接地电网)或相对地电压(110KV及以上中性点直接接地电网)。

2、上图所示为两台单相电压互感器接成V,v连接,测 量线电压,不能测量相电压,广泛用于20KV及以下中性点不接地或经消弧线圈接地的电网中。

3、上图所示为一台三相三柱式电压互感器接成Y,Y0形接线,只能用来测量线电压,不许用来测量相对地电压,因为它的一次侧绕组中性点不能引出,故不能用来监视电网对地电压。

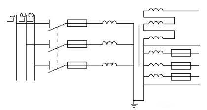
4、上图所示为三台单相式电压互感器接成的形接线,可测量线电压、相电压和零序电压,广泛应用于35KV及以上电网中。

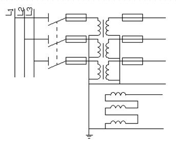
5、上图所示为一台三相五柱式电压互感器接成的形接线。其一次侧绕组、基本二次侧绕组接成星形,且中性点均接地,辅助二次绕组接成开口三角形。可用于测量线电压和相电压,还可用作绝缘监察,广泛用于小接地电流电网。
关于保护电器的设置:
电压互感器的一、二次侧均应安装熔断器。在380V的装置中,电压互感器一般只经过熔断器接入电网;在高压电网中,电压互感器通过隔离开关和熔断器与电网相连;在110KV及以上的电网中,考虑到电压互感器及其配电装置的可靠性较高,加之高压熔断器的灭弧问题较大,价格较贵,故不装设高压熔断器,只用隔离开关与母线相连接。